Woobo Cyberboy

Less Frames

Up



My very first Stereo shutter glasses. Some time ago I got them cheap at a surplus sale, together with some sample software, that provide real 3D-image viewing on the computer screen. However, software and drivers for the Cyberboy are getting obsolete (though I still occasionally try to play Descent II)


Note that there is a chance to revive good ol' Cyberboy, and most other vintage shutter glasses, now that VRStandard are selling their generic Direct3D stereo driver VRCaddy separately.


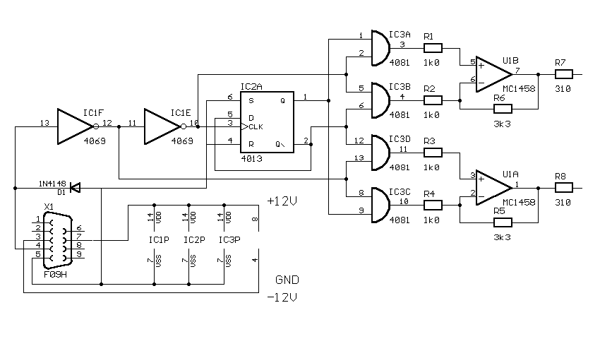
Serial Port Controller

My parents will warn you not to leave me alone with any technical gizmo and a screwdriver.. well, nowadays things (usually) continue to work after I have put them together again :-) What I found out about the Cyberboy controller I put into this circuit schematic for anyone who is interested.