µC DIY Controller The Next Generation |
||
|
Last Updated : Mar.14,2001 |
||
Be warned that this should be taken just as
a preliminary version, which I'm aleady still
planning to improve (especially the quality of the video signal is
strongly affected by the line-blanking switches).
There is also
soon some day to come a version without
line-blanking, i.e. just VGA-pass-through and sync-doubling
operation, which will be easier to build, since it's basically just
the microcontroller and a few connectors.
Well, not really much of an update, just some nicer layout, and some less hype in the above (:-) - OK, and finally some pictures of the prototype.
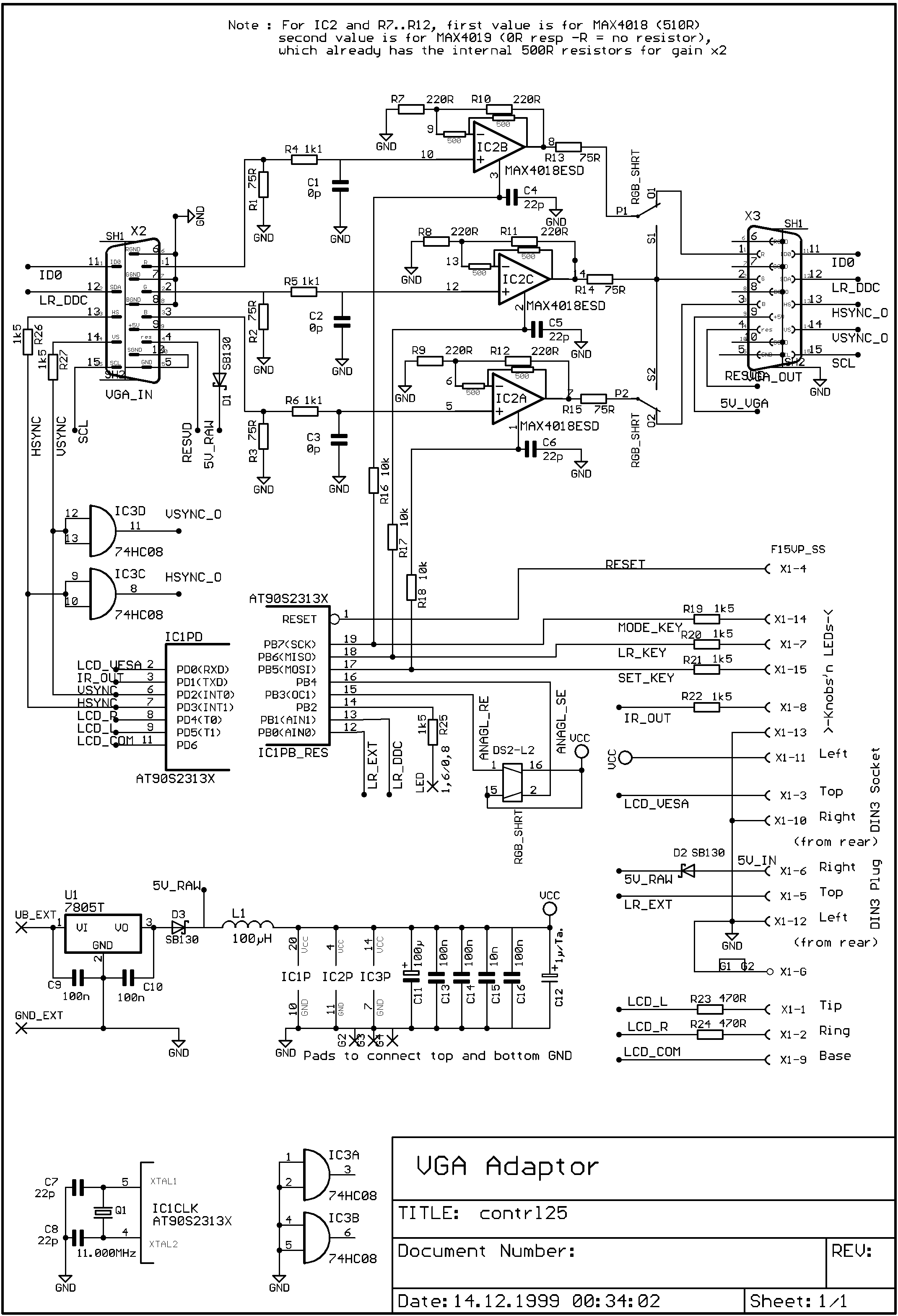
This controller is a complete new design, based on
the Atmel AT90S2313 AVR microcontroller, responsible for
the processing of the horizontal and vertical sync pulses from the computer's video output,
the generation of control signals for both wired and wireless (infrared) LCD shutter glasses,
the control of the switched video signal buffers for line-blanking mode
the generation of extra V-Sync pulses for sync-doubling mode
the MAXIM MAX4019 switched triple video signal buffer for line-blanking
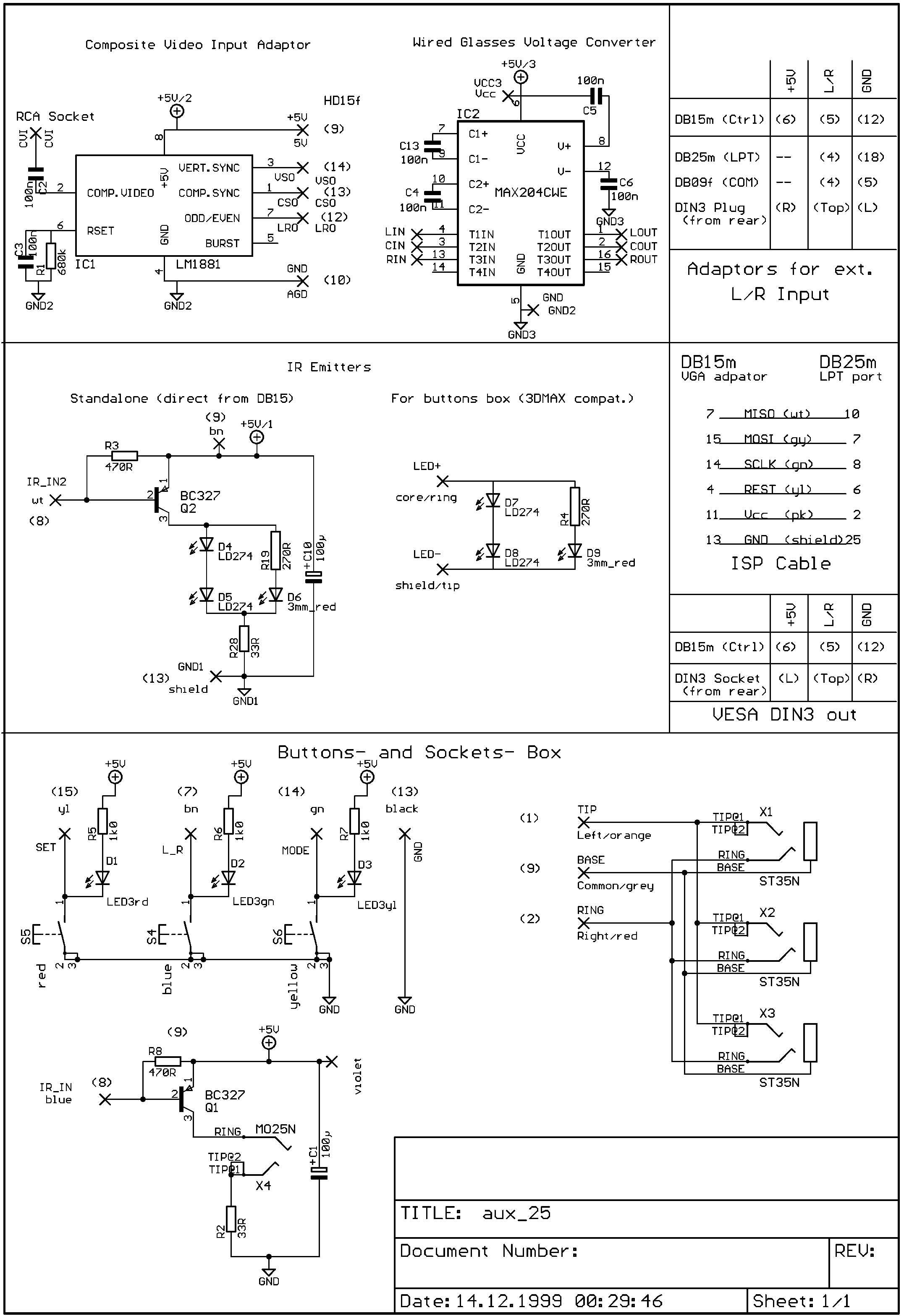
the MAXIM MAX204 quad RS232 line driver for increased output voltage to wired LCD glasses
The controller provides the following operating modes (for details, see the manual):
VGA pass-through for interlaced and page-flip stereo modes
VGA sync-doubler for top-bottom stereo mode
line-blanking for interlaced stereo pairs
external L/R switch signal for connection to serial, parallel or 3-pin VESA mini-DIN port.
For my personal entertainment (and since the MAX4019 was only
available as SMD), the main circuit ended up as a 2-sided board with
lots of SMD parts (2 ICs, several capacitors and resistors). Thus,
although even I managed to get a few of them built ;-), the making of
the board shouldn't be taken lightly..Especially make sure that you
get a good match of the top and bottom side holes when etching the
board and drilling the holes..
And, I'm afraid that I won't have
the time to help you...
The circuit is split into two parts:
The main unit with ?C and video
switches which is plugged in between computer and monitor. It is
equipped with VGA input and output connectors, connector for
external (unregulated) power supply and a 15-pin connector for all
remaining connections (wired and IR glasses, +5V input, external L/R
control signal).
The PCB is 2-sided, with SMD parts on both
sides and several through-connections between the Ground stripes on
both sides for good grounding.
Find here for download as GIF
bitmap files :
drilling plan (you will need 0.6mm, 0.8mm, 1.0mm, 1.2mm and 3.0mm drills)
components list (not yet)
Some peripheral circuits to operate the controller (single-sided PCB, but some SMD again), incuding
Operator's panel with control buttons and connectors for wired glasses and IR emitter
Voltage booster for improved performance of wired glasses (0/5V to -/+10V)
IR emitters for wireless glasses (2 versions)
pinouts for L/R control from LPT:/COM:/VESA mini-DIN3 ports
last, but not least : sync separator for input of composite video signal for watching field-sequential stereo VCR tapes (e.g. NuVision)
Find here for download as GIF bitmap files :
copper layout (mirrored) bottom (600dpi)
drilling plan (not yet)
components list (not yet)
Since I don't know your printer, you will have to use a picture editor like Picture Publisher, MS Photopaint etc. to convert the PCB layout to your printer's resolution. I've had cases where the editor assumed a resolution of 96 dpi, which would give a ridiculously large image. The layouts have been created for a resolution of 600 dpi, please scale accordingly.
Due to the fine resolution of the copper wires on the PCB, you should make PCBs by photo-transfer. Just print the board layout in original size on a sheet of overhead projection film (as recommended for your printer) and expose as usual (printed side to the PCB, so you can read the text). Printingn resolution of 600 dpi or higher is stronlgy recommended; ink jet printers may give less optimal results. If you are patient, and your printer's positioning is excellent, you may try to print the layouts twice on top of each other for better coverage.
|
Some more pics from the inside click on thumbnails for full-size |
|
The firmware comes in two files : ctrl.hex,
the executable code, and ctrl.eep, which is an
initial image of the setup EEPROM, defining the initial controller
settings.
For the programming, you will need an adaptor cable
from your computer's parallel printer port to the controller's 15-pin
universal I/O connector. The pinout is described in the
peripheral circuit schematics (ISP cable).
As programming
software, I found sufficient the BAF1B
Progammer by Jerry
Meng.
The circuit was designed with the Light version of EAGLE CAD from CADSoft. This version (approx. 4MB) is free for non-commercial or evaluation use.